079 - 316 37 31
Mijn Account
Registreren
Inloggen
Verlanglijst (0)
Winkelwagen
Afrekenen
0 product(en) - 0,00€
U heeft nog geen producten in uw winkelwagen.
categorieën
Webshop
Badkamer & Sanitair
Hout & Bouwmateriaal
IJzerwaren
Electra en verlichting
Elektrisch gereedschap
Handgereedschap
Kitten, verven, smeren, onderhoud & afdekken
Trappen en Ladders
(Sleutel)kluizen en brandkasten
Landbouw en Tuin producten
Machine toebehoren
Ongediertebestrijding
Opbergsystemen
Overzicht
Schoonmaken
Scharen en messen
Solderen en lassen
Stickers, bordjes & plakfolie
Supergas ruilpunt Zoetermeer
Transportmiddelen
VELUX
Verhuur
Werkkleding en PBM
Hor en onderdelen
Wonen
Slijpen
Toon alles Webshop
Over ons
Contact
Services
Slijpen
Verhuur
Zagen
Sleutels
SuperGas
Horren op maat
Machine reparaties
Graveren
Deurmatten
Webshop
Hang- & Sluitwerk
Scharnieren
Paumelles
Inboorpaumelles
HPLM B11080PB / MEUBEL INBOORPAUMELLE 11X80MM VAASKOP VERMES
Omschrijving
Klassieke houten meubels? Hang de deurtjes dan af met deze vaasknop inboorpaumelles. Deze paumelle past goed bij authentieke deurgrepen of knoppen. Het grote voordeel van een meubelpaumelle is dat het meubeldeurtje gemakkelijk in en uit zijn constructie getild kan worden, ideaal voor bijvoorbeeld onderhoudswerkzaamheden of een verhuizing.
Montage is eenvoudig, omdat zowel boven- als onderkant los van elkaar in het hout te bevestigen zijn. Ook kunt u deze paumelle zowel links als rechts gebruiken. De paumelle is leverbaar met een afwerking van brons of messing. Beiden hebben een klassieke uitstraling.
Bent u op zoek naar een paumelle voor meubels zonder klassieke uitstraling? Bekijk dan de meubelpaumelles standaard of meubelpaumelles smal.
materiaal
staal
knoopuitvoering
vaasknop
toepassing
lichte houten constructies
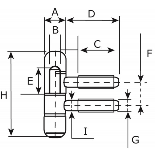
E
12 mm
A
11 mm
C
9 mm
B
8 mm
H
80 mm
finish
vermessingd
I
6 mm
D
27 mm
G
7 mm
F
10 mm
HPLM B11080PB / MEUBEL INBOORPAUMELLE 11X80MM VAASKOP VERMES
Artikelnummer: 6004.110.8002
Beschikbaarheid: Op voorraad
2,53€
per stuks
Excl. BTW: 2,09€
Aantal
Bestellen