079 - 316 37 31
Mijn Account
Registreren
Inloggen
Verlanglijst (0)
Winkelwagen
Afrekenen
0 product(en) - 0,00€
U heeft nog geen producten in uw winkelwagen.
categorieën
Webshop
Badkamer & Sanitair
Hout & Bouwmateriaal
IJzerwaren
Electra en verlichting
Elektrisch gereedschap
Handgereedschap
Kitten, verven, smeren, onderhoud & afdekken
Trappen en Ladders
(Sleutel)kluizen en brandkasten
Landbouw en Tuin producten
Machine toebehoren
Ongediertebestrijding
Opbergsystemen
Overzicht
Schoonmaken
Scharen en messen
Solderen en lassen
Stickers, bordjes & plakfolie
Supergas ruilpunt Zoetermeer
Transportmiddelen
VELUX
Verhuur
Werkkleding en PBM
Hor en onderdelen
Wonen
Slijpen
Toon alles Webshop
Over ons
Contact
Services
Slijpen
Verhuur
Zagen
Sleutels
SuperGas
Horren op maat
Machine reparaties
Graveren
Deurmatten
Webshop
Hang- & Sluitwerk
Scharnieren
Paumelles
Inboorpaumelles
MEUBEL INBOORPAUMELLE 11X29MM SMAL VERNIKKELD
Omschrijving
Bent u op zoek naar een mini meubelpaumelle geschikt voor het afhangen van meubeldeurtjes? Deze smalle inboorpaumelles zijn voor lichte houten projecten geschikt. Het grote voordeel van een paumelle is dat het meubeldeurtje gemakkelijk in en uit zijn constructie getild kan worden, ideaal voor bijvoorbeeld onderhoudswerkzaamheden of een verhuizing.
Montage is eenvoudig, omdat zowel boven- als onderkant los van elkaar in het hout te bevestigen zijn. Ook kunt u deze paumelle zowel links als rechts gebruiken.
Aan de onder -en bovenkant is deze paumelle recht afgewerkt voor een strakke uitstraling en u heeft de keuze uit een verzinkt, vernikkelde of vermessingde afwerking. Zowel zink, nikkel als messing, beschermen het staal. Nikkel heeft een glanzende uitstraling. Messing heeft daarentegen een klassiek uiterlijk.
Bent u op zoek naar een paumelle met een algehele klassieke uitstraling? Kies dan voor de vaasknop meubelpaumelle.
materiaal
staal
knoopuitvoering
smal
toepassing
lichte houten constructies
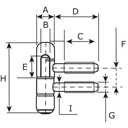
E
12 mm
A
11 mm
C
8 mm
B
8 mm
H
29 mm
finish
vernikkeld
I
6 mm
D
27 mm
G
6 mm
F
11 mm
MEUBEL INBOORPAUMELLE 11X29MM SMAL VERNIKKELD
Artikelnummer: 6005.110.2907
Beschikbaarheid: Op voorraad
2,47€
per stuks
Excl. BTW: 2,04€
Aantal
Bestellen