079 - 316 37 31
Mijn Account
Registreren
Inloggen
Verlanglijst (0)
Winkelwagen
Afrekenen
0 product(en) - 0,00€
U heeft nog geen producten in uw winkelwagen.
categorieën
Webshop
Badkamer & Sanitair
Hout & Bouwmateriaal
IJzerwaren
Electra en verlichting
Elektrisch gereedschap
Handgereedschap
Kitten, verven, smeren, onderhoud & afdekken
Trappen en Ladders
(Sleutel)kluizen en brandkasten
Landbouw en Tuin producten
Machine toebehoren
Ongediertebestrijding
Opbergsystemen
Overzicht
Schoonmaken
Scharen en messen
Solderen en lassen
Stickers, bordjes & plakfolie
Supergas ruilpunt Zoetermeer
Transportmiddelen
VELUX
Verhuur
Werkkleding en PBM
Hor en onderdelen
Wonen
Slijpen
Toon alles Webshop
Over ons
Contact
Services
Slijpen
Verhuur
Zagen
Sleutels
SuperGas
Horren op maat
Machine reparaties
Graveren
Deurmatten
Webshop
Overzicht
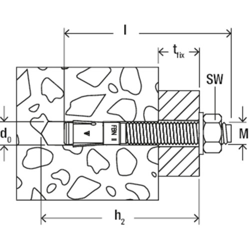
SNELBOUWANKER FBN II 10/20 VERZINKT STAAL
Omschrijving
Het fischer Snelbouwanker FBN II is een stalen anker voor efficiënte bevestigingen in ongescheurd beton. Dankzij de lange schroefdraad en twee verankeringsdiepten kan het fischer Snelbouwanker FBN II bijzonder flexibel worden gebruikt. Behalve voor de voor- en doorsteekmontage is het snelbouwanker ook geschikt voor de afstandsmontage. In de gegalvaniseerde uitvoering is het snelbouwanker geschikt voor het bevestigen van leuningen, consoles en kabelgoten in de interieurbouw.
Boordiameter
10 mm
Min. boorgatdiepte
88 mm
Nuttige lengte
20 mm
Sleutelwijdte
17 mm
Draad
M10 x 56 mm
Min. boorgatdiepte bij doorsteekmontage
88 mm
Max. nuttige lengte hef, stand/hef, red
20 / 30 mm
Max. dikte aanbouwdeel
20 mm
Aandraaimoment
30
Ankerlengte
95 mm
Onderlegring (buitendiameter x dikte)
20 x 2 mm
Materiaal
elektrolytisch verzinkt staal
Verankeringsdiepte
50 mm
Lengte draad
Verankeringsdiepte hef, stand/hef,red
50 / 40 mm
Certificaten / goedkeuringen
ETA - Europees Technisch Assessment
Voorsteekmontage
Ja
Doorsteekmontage
Ja
Afstandsmontage
Nee
VDS-Approval
Ja
ETA-Approval
Ja
Draadmaat (metrisch)
10 mm
Profi / DIY
DIY
Markering in kop
D
SNELBOUWANKER FBN II 10/20 VERZINKT STAAL
Artikelnummer: 2123999
Beschikbaarheid: Op voorraad
80,62€
per doos à 50 stuks
Excl. BTW: 66,63€
Aantal
Bestellen