079 - 316 37 31
Mijn Account
Registreren
Inloggen
Verlanglijst (0)
Winkelwagen
Afrekenen
0 product(en) - 0,00€
U heeft nog geen producten in uw winkelwagen.
categorieën
Webshop
Badkamer & Sanitair
Hout & Bouwmateriaal
IJzerwaren
Electra en verlichting
Elektrisch gereedschap
Handgereedschap
Kitten, verven, smeren, onderhoud & afdekken
Trappen en Ladders
(Sleutel)kluizen en brandkasten
Landbouw en Tuin producten
Machine toebehoren
Ongediertebestrijding
Opbergsystemen
Overzicht
Schoonmaken
Scharen en messen
Solderen en lassen
Stickers, bordjes & plakfolie
Supergas ruilpunt Zoetermeer
Transportmiddelen
VELUX
Verhuur
Werkkleding en PBM
Hor en onderdelen
Wonen
Slijpen
Toon alles Webshop
Over ons
Contact
Services
Slijpen
Verhuur
Zagen
Sleutels
SuperGas
Horren op maat
Machine reparaties
Graveren
Deurmatten
Webshop
Overzicht
FISCHER EA M 12 - N
Omschrijving
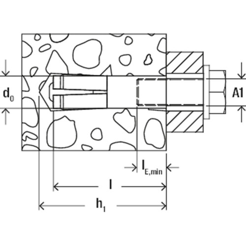
Het fischer Inslaganker EA N is een inslaganker met binnenwerkse schroefdraad van gegalvaniseerd en roestvast staal. Het inslaganker is ideaal voor de meervoudige bevestiging van niet-dragende systemen, waarvoor geen goedgekeurde verankering noodzakelijk is. De montage van het inslaganker met binnenwerkse schroefdraad is dankzij de geringe inschroefdiepte, de snelle slagmontage, en het gecontroleerde inschroeven uitermate rendabel. De EA N wordt met de hamer en lijnend met het verankeringsoppervlak aangebracht. Met het montagehulpstuk EA-ST wordt de huls door het naar binnen drijven van de inwendige stift open gespreid en zo tegen de wand van het boorgat gespannen. Voor een correcte spreiding hoeft geen koppel op de schroef uitgeoefend te worden.
Boordiameter
16 mm
Min. boorgatdiepte
50 mm
Min. verankeringsdiepte
50 mm
Ankerlengte
50 mm
Binnendraad
M12
Materiaal
elektrolytisch verzinkt staal
Min. boorgatdiepte bij voorsteekmontage
50 mm
Min. inschroefdiepte
12 mm
Max. inschroefdiepte
22 mm
Geschikt voor beton
Ja
Geschikt voor natuursteen
Ja
Voorsteekmontage
Ja
Doorsteekmontage
Nee
Afstandsmontage
Nee
VDS-Approval
Ja
Draadmaat (metrisch)
12 mm
Profi / DIY
Profi
FISCHER EA M 12 - N
Artikelnummer: 90162
Beschikbaarheid: Op voorraad
69,67€
per doos à 50 stuks
Excl. BTW: 57,58€
Aantal
Bestellen