079 - 316 37 31
Mijn Account
Registreren
Inloggen
Verlanglijst (0)
Winkelwagen
Afrekenen
0 product(en) - 0,00€
U heeft nog geen producten in uw winkelwagen.
categorieën
Webshop
Badkamer & Sanitair
Hout & Bouwmateriaal
IJzerwaren
Electra en verlichting
Elektrisch gereedschap
Handgereedschap
Kitten, verven, smeren, onderhoud & afdekken
Trappen en Ladders
(Sleutel)kluizen en brandkasten
Landbouw en Tuin producten
Machine toebehoren
Ongediertebestrijding
Opbergsystemen
Overzicht
Schoonmaken
Scharen en messen
Solderen en lassen
Stickers, bordjes & plakfolie
Supergas ruilpunt Zoetermeer
Transportmiddelen
VELUX
Verhuur
Werkkleding en PBM
Hor en onderdelen
Wonen
Slijpen
Toon alles Webshop
Over ons
Contact
Services
Slijpen
Verhuur
Zagen
Sleutels
SuperGas
Horren op maat
Machine reparaties
Graveren
Deurmatten
Insteeksloten
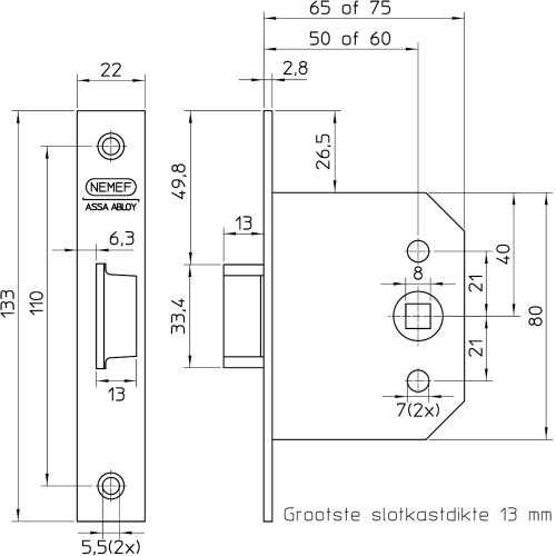
LOOPSLOT 55-50
Omschrijving
Toepassing
Geschikt voor renovatietoepassingen in loopdeuren in de woningbouw. Standaard slotkast met rechthoekige voorplaat en zamac schoot.
Specificaties
Voor links- en rechtsdraaiende deuren bruikbaar
Volledig gesloten slotkast voorkomt binnendringen vuil voor lange probleemloze werking
Zamac verzinkte dagschoot
Staal verzinkte rechthoekige voorplaat
Levering inclusief sluitplaat P 55/12
Bijgeleverd
Sluitplaat P 55/12
Model voorplaat
rechthoekig
Afmetingen voorplaat
22 x 133 mm
Materiaal voorplaat
staal verzinkt
Doornmaat
50 mm
Draairichting
1/2/3/4
Krukgat
8 mm
Dagschootuitslag
13 mm
Materiaal dagschoot
zamac verzinkt
Finish slotkast
verzinkt
Omschrijving
links en rechts bruikbaar
Mat. slotkast
staal
Produktserie
55
LOOPSLOT 55-50
Artikelnummer: 9005500500
Beschikbaarheid: Op voorraad
16,03€
per stuks
Excl. BTW: 13,24€
Aantal
Bestellen